Ступени следует применять в условиях отсутствия воздействия агрессивной среды на железобетонные конструкции. Допускается применение ступеней в условиях воздействия агрессивной среды при соблюдении требований, предъявляемых к таким конструкциям главой СНиП II-28-73*.
Плоские ступени укладывать на косоуры шириной не менее 155 и не более 180 мм, при этом оси симметрии в закладных деталях косоуров и ступеней должны совпадать.
Ступени изготавливаются из тяжёлого бетона класса В15.
Марки бетона по водонепроницаемости и по морозостойкости назначаются в зависимости от режима их эксплуатации в зданиях и расчётной зимней температуры наружного воздуха.
Величина отпускной прочности бетона должна быть не менее 70% проектной марки по прочности на сжатие.
Железобетонные ступени армируются сварными сетками с рабочей арматурой класса А-III (ГОСТ 5781-81).
Закладные детали для крепления ограждений выполнять из горячекатаной полосовой стали по ГОСТ 103-76 марки ВСтЗпс6 для конструкций по ГОСТ 380-71*.
Открытые поверхности закладных деталей должны быть очищены от наплывов и иметь антикоррозийное покрытие согласно требованиям СНиП II-28-73*.
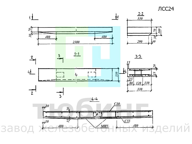
ЛСС24 - ступень плоская длиной 2380 мм для сквозных маршей.
Варианты маркировки:
1. ЛСС24
2. ЛСС 24
3. ЛСС-24
4. ЛСС.24
5. ЛСС/24
6. Л С С 24
Цена на железобетонную плоскую ступень ЛСС24 указана с учетом НДС, без учета доставки. Стоимость изделий по серии 1.055.1-1 может меняться в зависимости от общей ситуации на строительном рынке и объема заказываемой продукции.
Представленные на сайте цены на ЖБИ не являются публичной офертой.
Эскиз ступени плоской ЛСС24
